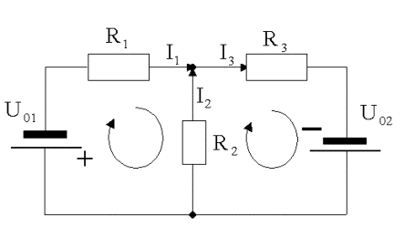
Beispiel